|
應用 |
法蘭型隔膜密封MD 56用于管道或罐中壓力測量和控制單元的無菌過程分離。 適用于彈簧管壓力表,壓力傳感器和壓力開關連接。 安裝在不允許死角的無菌過程中。 典型應用領域:無菌工藝工程中的應用、生物技術、食品和飲料行業、 飲料機械、乳品業。 |
|
說明 |
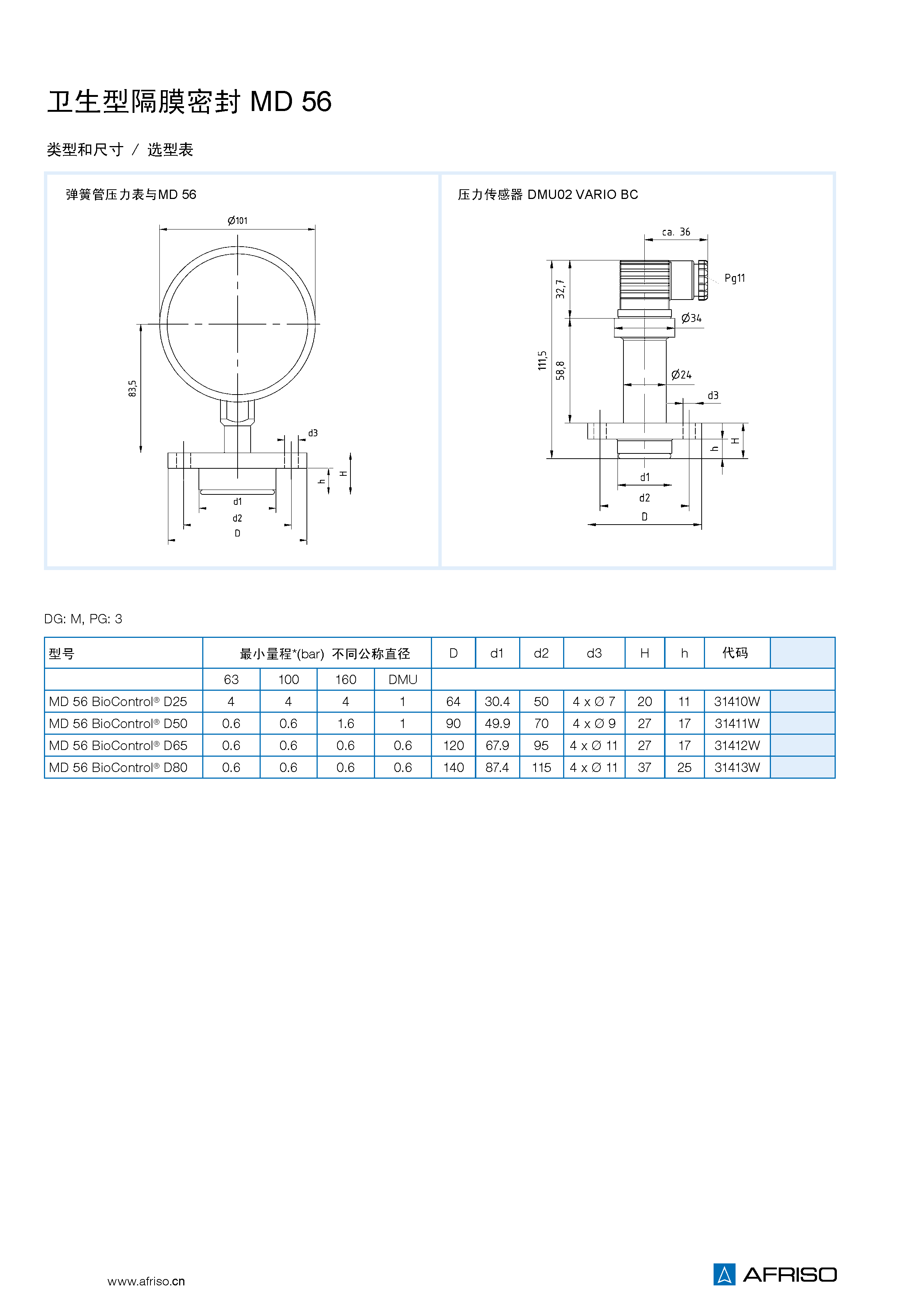
所有材質在FDA-目錄中。化學密封件和測量儀器焊接在一起,從而形成不可分離的整體,抗沖擊 和抗振動,不需要額外的外部保護。 化學密封件的公稱直徑為25,50,65,80; 由于其緊湊的設計,它們有廣泛的應用。 |
|
型號 |
MD 56 |
|
過程連接 |
NEUMO BioControl® D25, D50, D65, D80 |
|
材質
|
不銹鋼 316 L,密封EPDM (USP CLASS VI 分類, FDA目錄內) |
|
表面粗糙度 |
Ra ≤ 0.8 μm |
|
壓力量程 |
0.06 MPa 到 1.6 MPa |
|
壓力傳動液 |
石蠟油 (FM 09) FDA-目錄 |
| 認證 | EHEDG 認證,類型 EL-CLASS I |
|
可安裝至
|
彈簧管壓力表NG 50, 63, 80, 100, 160 壓力變送器(DMU) 壓力開關(DS) |

Deutsch













返回頂部

